轴承专区
Bearings Center
W 618/6 R轴承-SKF W 618/6 R轴承尺寸、图纸、价格
SKF W 618/6 R轴承
| 产品名称: | W 618/6 R轴承 | 品牌: | SKF |
|---|---|---|---|
| 类型: | SKF轴承 > 滚动轴承 > 深沟球轴承 | ||
| 描述: | W 618/6 R轴承是【SKF轴承 > 滚动轴承 > 深沟球轴承】的型号,主要用在仪表、离心分离机、变速器、变速器、各类产业用减速机、制铁制钢机械、碾煤机、电子、起重机械、坦克等各大领域 | ||
电话/微信:138-8949-5179
SKF W 618/6 R轴承详细信息
W 618/6 R轴承是【SKF轴承 > 滚动轴承 > 深沟球轴承】的型号,主要用在仪表、离心分离机、变速器、变速器、各类产业用减速机、制铁制钢机械、碾煤机、电子、起重机械、坦克等各大领域。
SKF W 618/6 R轴承详细参数
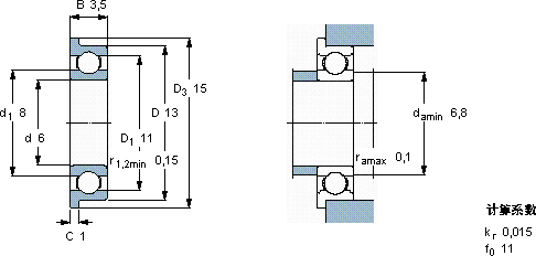
| 深沟球轴承, 单列,不锈钢,带法兰, 无密封件 | ||||||||||||
| 主要数据尺寸 | 基本负荷额定值 | 疲劳负荷限值 | 额定速度 | 体积 | 型号 | |||||||
| 动态 | 静态 | 参照速度 | 限制速度 | |||||||||
| d | D | D3 | B | C | C | C0 | Pu | |||||
| mm | kN | kN | r/min | kg | - | |||||||
| 6 | 13 | 15 | 3,5 | 1 | 0,741 | 0,335 | 0,015 | 110000 | 67000 | 0,0022 | W 618/6 R | |
SKF W 618/6 R轴承尺寸图纸

