轴承专区
Bearings Center
BB1B 363270轴承-SKF BB1B 363270轴承尺寸、图纸、价格
SKF BB1B 363270轴承
| 产品名称: | BB1B 363270轴承 | 品牌: | SKF |
|---|---|---|---|
| 类型: | SKF轴承 > 滚动轴承 > 深沟球轴承 | ||
| 描述: | BB1B 363270轴承是【SKF轴承 > 滚动轴承 > 深沟球轴承】的型号,主要用在农业机械、油泵、泵、机床主轴、铁路车辆车轴、起重机吊钩、钢铁厂、玩具、强夯机、太阳能发电设备等各大领域 | ||
电话/微信:138-8949-5179
SKF BB1B 363270轴承详细信息
BB1B 363270轴承是【SKF轴承 > 滚动轴承 > 深沟球轴承】的型号,主要用在农业机械、油泵、泵、机床主轴、铁路车辆车轴、起重机吊钩、钢铁厂、玩具、强夯机、太阳能发电设备等各大领域。
SKF BB1B 363270轴承详细参数
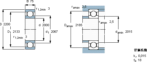
| 深沟球轴承, 单列, 无密封件 | |||||||||||
| 主要数据尺寸 | 基本负荷额定值 | 疲劳负荷限值 | 额定速度 | 体积 | 型号 | ||||||
| 动态 | 静态 | 参照速度 | 限制速度 | ||||||||
| d | D | B | C | C0 | Pu | ||||||
| mm | kN | kN | r/min | kg | - | ||||||
| 2000 | 2200 | 75 | 936 | 4500 | 41,5 | 220 | 190 | 290 | BB1B 363270 | ||
SKF BB1B 363270轴承尺寸图纸

