轴承专区
Bearings Center
W 618/5轴承-SKF W 618/5轴承尺寸、图纸、价格
SKF W 618/5轴承
| 产品名称: | W 618/5轴承 | 品牌: | SKF |
|---|---|---|---|
| 类型: | SKF轴承 > 滚动轴承 > 深沟球轴承 | ||
| 描述: | W 618/5轴承是【SKF轴承 > 滚动轴承 > 深沟球轴承】的型号,主要用在电气装置部件、机床主轴、减速装置、汽车、木工机械、汽车转向销、船舶用螺旋桨轴、钟表、土方机械、摩天轮等各大领域 | ||
电话/微信:138-8949-5179
SKF W 618/5轴承详细信息
W 618/5轴承是【SKF轴承 > 滚动轴承 > 深沟球轴承】的型号,主要用在电气装置部件、机床主轴、减速装置、汽车、木工机械、汽车转向销、船舶用螺旋桨轴、钟表、土方机械、摩天轮等各大领域。
SKF W 618/5轴承详细参数
| 深沟球轴承, 单列,不锈钢, 无密封件 | ||||||||||
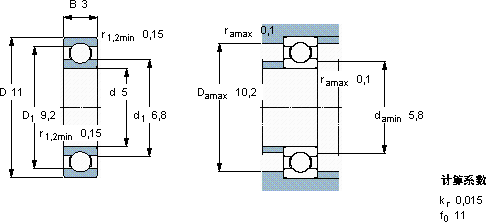
| 主要数据尺寸 | 基本负荷额定值 | 疲劳负荷限值 | 额定速度 | 体积 | 型号 | |||||
| 动态 | 静态 | 参照速度 | 限制速度 | |||||||
| d | D | B | C | C0 | Pu | |||||
| mm | kN | kN | r/min | kg | - | |||||
| 5 | 11 | 3 | 0,54 | 0,245 | 0,011 | 120000 | 75000 | 0,0012 | W 618/5 | |
SKF W 618/5轴承尺寸图纸

