轴承专区
Bearings Center
7220 BECBP *轴承-SKF 7220 BECBP *轴承尺寸、图纸、价格
SKF 7220 BECBP *轴承
| 产品名称: | 7220 BECBP *轴承 | 品牌: | SKF |
|---|---|---|---|
| 类型: | SKF轴承 > 滚动轴承 > 角接触球轴承 | ||
| 描述: | 7220 BECBP *轴承是【SKF轴承 > 滚动轴承 > 角接触球轴承】的型号,主要用在变速器、高频马达、减速装置、前轮、轧钢机齿轮箱座、机床主轴、立式电动机、钟表、挖掘机、正面吊等各大领域 | ||
电话/微信:138-8949-5179
SKF 7220 BECBP *轴承详细信息
7220 BECBP *轴承是【SKF轴承 > 滚动轴承 > 角接触球轴承】的型号,主要用在变速器、高频马达、减速装置、前轮、轧钢机齿轮箱座、机床主轴、立式电动机、钟表、挖掘机、正面吊等各大领域。
SKF 7220 BECBP *轴承详细参数
| 角接触球轴承, 单列 | |||||||||||
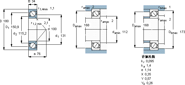
| 主要数据尺寸 | 尺寸 [英寸] | 疲劳负荷限值 | 额定速度 | 体积 | 型号 | ||||||
| 动态 | 静态 | 参照速度 | 限制速度 | ||||||||
| d | D | B | C | C0 | Pu | * - SKF Explorer 轴承 | |||||
| mm | kN | kN | r/min | kg | - | ||||||
| 100 | 180 | 34 | 143 | 134 | 4,75 | 4500 | 4500 | 3,29 | 7220 BECBP * | ||
SKF 7220 BECBP *轴承尺寸图纸

