轴承专区
Bearings Center
W 618/3 R轴承-SKF W 618/3 R轴承尺寸、图纸、价格
SKF W 618/3 R轴承
| 产品名称: | W 618/3 R轴承 | 品牌: | SKF |
|---|---|---|---|
| 类型: | SKF轴承 > 滚动轴承 > 深沟球轴承 | ||
| 描述: | W 618/3 R轴承是【SKF轴承 > 滚动轴承 > 深沟球轴承】的型号,主要用在农业机械、油泵、桥式起重机、机床主轴、造纸机械、石油钻机、钢铁厂、医药设备、解体机、太阳能发电设备等各大领域 | ||
电话/微信:138-8949-5179
SKF W 618/3 R轴承详细信息
W 618/3 R轴承是【SKF轴承 > 滚动轴承 > 深沟球轴承】的型号,主要用在农业机械、油泵、桥式起重机、机床主轴、造纸机械、石油钻机、钢铁厂、医药设备、解体机、太阳能发电设备等各大领域。
SKF W 618/3 R轴承详细参数
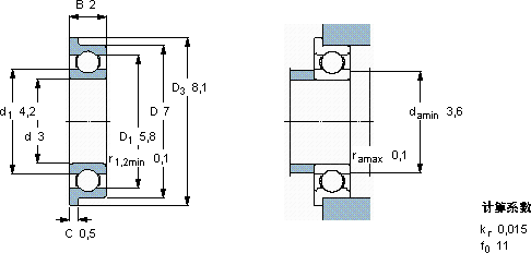
| 深沟球轴承, 单列,不锈钢,带法兰, 无密封件 | ||||||||||||
| 主要数据尺寸 | 基本负荷额定值 | 疲劳负荷限值 | 额定速度 | 体积 | 型号 | |||||||
| 动态 | 静态 | 参照速度 | 限制速度 | |||||||||
| d | D | D3 | B | C | C | C0 | Pu | |||||
| mm | kN | kN | r/min | kg | - | |||||||
| 3 | 7 | 8,1 | 2 | 0,5 | 0,216 | 0,085 | 0,0036 | 160000 | 100000 | 0,00039 | W 618/3 R | |
SKF W 618/3 R轴承尺寸图纸

