轴承专区
Bearings Center
W 09轴承-SKF W 09轴承尺寸、图纸、价格
SKF W 09轴承
| 产品名称: | W 09轴承 | 品牌: | SKF |
|---|---|---|---|
| 类型: | SKF轴承 > 滚动轴承 > 轴承附件 | ||
| 描述: | W 09轴承是【SKF轴承 > 滚动轴承 > 轴承附件】的型号,主要用在家用电器、机床主轴、减速装置、汽车、造纸机械、汽车转向销、塔吊、洗染、土方机械、塔式车库等各大领域 | ||
电话/微信:138-8949-5179
SKF W 09轴承详细信息
W 09轴承是【SKF轴承 > 滚动轴承 > 轴承附件】的型号,主要用在家用电器、机床主轴、减速装置、汽车、造纸机械、汽车转向销、塔吊、洗染、土方机械、塔式车库等各大领域。
SKF W 09轴承详细参数
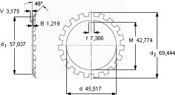
| W锁紧垫圈, 英制尺寸 | ||||||
| 尺寸 | 体积 | 型号 | ||||
| 锁紧垫圈 | 适宜的锁定螺母 | |||||
| d | d2 | B | ||||
| mm | kg | - | ||||
| 45,517 | 69,444 | 1,219 | 0,021 | W 09 | N 09 | |
SKF W 09轴承尺寸图纸

