轴承专区
Bearings Center
W 03轴承-SKF W 03轴承尺寸、图纸、价格
SKF W 03轴承
| 产品名称: | W 03轴承 | 品牌: | SKF |
|---|---|---|---|
| 类型: | SKF轴承 > 滚动轴承 > 轴承附件 | ||
| 描述: | W 03轴承是【SKF轴承 > 滚动轴承 > 轴承附件】的型号,主要用在飞机喷气式发动机、油泵、压缩机、机床主轴、轧钢机辊道子、石油钻机、燃机、薄膜拉伸、给料机械、坦克等各大领域 | ||
电话/微信:138-8949-5179
SKF W 03轴承详细信息
W 03轴承是【SKF轴承 > 滚动轴承 > 轴承附件】的型号,主要用在飞机喷气式发动机、油泵、压缩机、机床主轴、轧钢机辊道子、石油钻机、燃机、薄膜拉伸、给料机械、坦克等各大领域。
SKF W 03轴承详细参数
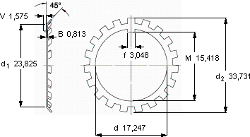
| W锁紧垫圈, 英制尺寸 | ||||||
| 尺寸 | 体积 | 型号 | ||||
| 锁紧垫圈 | 适宜的锁定螺母 | |||||
| d | d2 | B | ||||
| mm | kg | - | ||||
| 17,247 | 33,731 | 0,813 | 0,005 | W 03 | N 03 | |
SKF W 03轴承尺寸图纸

