李工:138-8949-5179 刘工:135-0428-8802
型号查询
轴承型号   常见搜索: 6009轴承 32313轴承 6305轴承 6019轴承 6015轴承 6003轴承
型号查询 X

轴承专区

Bearings Center

SI 60 TXE-2LS轴承-SKF SI 60 TXE-2LS轴承尺寸、图纸、价格

SKF SI 60 TXE-2LS轴承

产品名称:SI 60 TXE-2LS轴承 品牌:SKF
类型:SKF轴承 > 球面滑动轴承和杆端关节轴承 > 免维护的杆端关节轴承
描述:SI 60 TXE-2LS轴承是【SKF轴承 > 球面滑动轴承和杆端关节轴承 > 免维护的杆端关节轴承】的型号,主要用在农业机械、机床主轴、中型及大型电动机、汽车、轧钢机辊道子、耕耘机、钢铁厂、化纤机械、平地机、太阳能发电设备等各大领域

 电话/微信:138-8949-5179

SKF SI 60 TXE-2LS轴承详细信息

SI 60 TXE-2LS轴承是【SKF轴承 > 球面滑动轴承和杆端关节轴承 > 免维护的杆端关节轴承】的型号,主要用在农业机械、机床主轴、中型及大型电动机、汽车、轧钢机辊道子、耕耘机、钢铁厂、化纤机械、平地机、太阳能发电设备等各大领域。

SKF SI 60 TXE-2LS轴承详细参数

免维护杆端, 阴螺纹, 钢/PTFE织物 , 两面密封件
主要数据尺寸角度倾的基本负荷额定值质量型号
动态静态轴承座完全与密封件
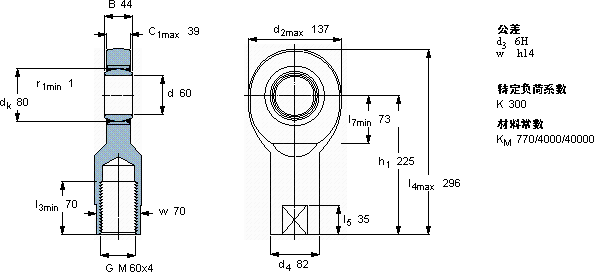
dd2Bd3C1h1±CC0
6H
mm度数kNkg-
6013744M 60x43922566954007,10SI 60 TXE-2LS

SKF SI 60 TXE-2LS轴承尺寸图纸

李工:138-8949-5179

刘工:135-0428-8802

地址:辽宁省大连经济技术开发区现代城3栋-13-13号

在线客服系统