李工:138-8949-5179 刘工:135-0428-8802
型号查询
轴承型号   常见搜索: 6304轴承 6309轴承 6020轴承 6015轴承 6006轴承 6003轴承
型号查询 X

轴承专区

Bearings Center

SYJ 25 KF轴承-SKF SYJ 25 KF轴承尺寸、图纸、价格

SKF SYJ 25 KF轴承

产品名称:SYJ 25 KF轴承 品牌:SKF
类型:SKF轴承 > 轴承单元 > Y-轴承座单元
描述:SYJ 25 KF轴承是【SKF轴承 > 轴承单元 > Y-轴承座单元】的型号,主要用在铁路车辆、空气压缩机、压缩机、大型农业机械、造纸机械、耕耘机、冶炼厂、玩具、平地机、吹氧装置等各大领域

 电话/微信:138-8949-5179

SKF SYJ 25 KF轴承详细信息

SYJ 25 KF轴承是【SKF轴承 > 轴承单元 > Y-轴承座单元】的型号,主要用在铁路车辆、空气压缩机、压缩机、大型农业机械、造纸机械、耕耘机、冶炼厂、玩具、平地机、吹氧装置等各大领域。

SKF SYJ 25 KF轴承详细参数

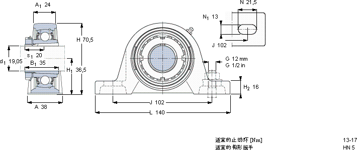
Y-型立式轴承座单元, 铸造轴承座,紧定套
尺寸基本负荷额定值限制速度质量型号
动态静态轴承单元轴承座轴承紧定套
无紧定套
d1AHH1LCC0
mmkNr/minkg-
19,053870,536,5140147,870000,63SYJ 25 KFSYJ 505YSA 205-2FKHE 2305

SKF SYJ 25 KF轴承尺寸图纸

李工:138-8949-5179

刘工:135-0428-8802

地址:辽宁省大连经济技术开发区现代城3栋-13-13号

在线客服系统