李工:138-8949-5179 刘工:135-0428-8802
型号查询
轴承型号   常见搜索: 6004轴承 6012轴承 6909轴承 6021轴承 6906轴承 6205轴承
型号查询 X

轴承专区

Bearings Center

STO 50轴承-SKF STO 50轴承尺寸、图纸、价格

SKF STO 50轴承

产品名称:STO 50轴承 品牌:SKF
类型:SKF轴承 > 滚动轴承 > 滚轮轴承
描述:STO 50轴承是【SKF轴承 > 滚动轴承 > 滚轮轴承】的型号,主要用在仪表、罗茨鼓风机、发电机、建筑机械、破碎机、石油钻机转环、碾煤机、烟草机械、轻工机械、厨具设备等各大领域

 电话/微信:138-8949-5179

SKF STO 50轴承详细信息

STO 50轴承是【SKF轴承 > 滚动轴承 > 滚轮轴承】的型号,主要用在仪表、罗茨鼓风机、发电机、建筑机械、破碎机、石油钻机转环、碾煤机、烟草机械、轻工机械、厨具设备等各大领域。

SKF STO 50轴承详细参数

不带法兰圈支承滚子,有内圈
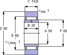
尺寸基本负荷额定值疲劳限值最大径向负荷限制速度体积型号
动态静态动态静态
DdCCC0PuFrF0r
mmkNkNkNr/minkg-
905019,82645,55,734,55016000,62STO 50

SKF STO 50轴承尺寸图纸

李工:138-8949-5179

刘工:135-0428-8802

地址:辽宁省大连经济技术开发区现代城3栋-13-13号

在线客服系统