李工:138-8949-5179 刘工:135-0428-8802
型号查询
轴承型号   常见搜索: 688a轴承 6909轴承 6030轴承 6018轴承 *轴承 6309轴承
型号查询 X

轴承专区

Bearings Center

HMVC 22E轴承-SKF HMVC 22E轴承尺寸、图纸、价格

SKF HMVC 22E轴承

产品名称:HMVC 22E轴承 品牌:SKF
类型:SKF轴承 > 滚动轴承 > 轴承附件
描述:HMVC 22E轴承是【SKF轴承 > 滚动轴承 > 轴承附件】的型号,主要用在电气装置部件、空气压缩机、变速器、大型农业机械、振动筛、耕耘机、船舶用螺旋桨轴、音像设备、地基处理机械、风力发电设备等各大领域

 电话/微信:138-8949-5179

SKF HMVC 22E轴承详细信息

HMVC 22E轴承是【SKF轴承 > 滚动轴承 > 轴承附件】的型号,主要用在电气装置部件、空气压缩机、变速器、大型农业机械、振动筛、耕耘机、船舶用螺旋桨轴、音像设备、地基处理机械、风力发电设备等各大领域。

SKF HMVC 22E轴承详细参数

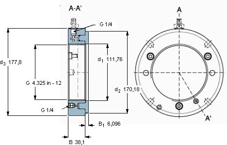
Hydraulic nuts, inch sizes
螺纹尺寸尺寸PermittedPiston area体积型号
piston
Gd1d2d3BB1displacement
mmmm (metric sizes)mmmmmm2 (metric sizes)kg-
in - threads/in (inch sizes)in2 (inch sizes)
108,4814.325 in - 12111,76170,18177,838,16,0965,088,710,9HMVC 22E-

SKF HMVC 22E轴承尺寸图纸

李工:138-8949-5179

刘工:135-0428-8802

地址:辽宁省大连经济技术开发区现代城3栋-13-13号

在线客服系统