轴承专区
Bearings Center
STO 40轴承-SKF STO 40轴承尺寸、图纸、价格
SKF STO 40轴承
| 产品名称: | STO 40轴承 | 品牌: | SKF |
|---|---|---|---|
| 类型: | SKF轴承 > 滚动轴承 > 滚轮轴承 | ||
| 描述: | STO 40轴承是【SKF轴承 > 滚动轴承 > 滚轮轴承】的型号,主要用在电气装置部件、小型汽车前轮、木工机械、差速器、铁路车辆车轴、耕耘机、船舶用螺旋桨轴、纺织、地基处理机械、伽玛等各大领域 | ||
电话/微信:138-8949-5179
SKF STO 40轴承详细信息
STO 40轴承是【SKF轴承 > 滚动轴承 > 滚轮轴承】的型号,主要用在电气装置部件、小型汽车前轮、木工机械、差速器、铁路车辆车轴、耕耘机、船舶用螺旋桨轴、纺织、地基处理机械、伽玛等各大领域。
SKF STO 40轴承详细参数
| 不带法兰圈支承滚子,有内圈 | |||||||||||
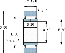
| 尺寸 | 基本负荷额定值 | 疲劳限值 | 最大径向负荷 | 限制速度 | 体积 | 型号 | |||||
| 动态 | 静态 | 动态 | 静态 | ||||||||
| D | d | C | C | C0 | Pu | Fr | F0r | ||||
| mm | kN | kN | kN | r/min | kg | - | |||||
| 80 | 40 | 19,8 | 23,8 | 39 | 4,75 | 34,5 | 49 | 1900 | 0,53 | STO 40 | |
SKF STO 40轴承尺寸图纸

