李工:138-8949-5179 刘工:135-0428-8802
型号查询
轴承型号   常见搜索: 71913轴承 6015轴承 23136轴承 3214轴承 6900轴承 6009轴承
型号查询 X

轴承专区

Bearings Center

SIKAC 5 M/VZ019轴承-SKF SIKAC 5 M/VZ019轴承尺寸、图纸、价格

SKF SIKAC 5 M/VZ019轴承

产品名称:SIKAC 5 M/VZ019轴承 品牌:SKF
类型:SKF轴承 > 球面滑动轴承和杆端关节轴承 > 需维护的杆端关节轴承
描述:SIKAC 5 M/VZ019轴承是【SKF轴承 > 球面滑动轴承和杆端关节轴承 > 需维护的杆端关节轴承】的型号,主要用在后轮、机床主轴、桥式起重机、汽车、振动筛、汽车转向销、水力发电机、饮料设备、掘进机、港口起重机等各大领域

 电话/微信:138-8949-5179

SKF SIKAC 5 M/VZ019轴承详细信息

SIKAC 5 M/VZ019轴承是【SKF轴承 > 球面滑动轴承和杆端关节轴承 > 需维护的杆端关节轴承】的型号,主要用在后轮、机床主轴、桥式起重机、汽车、振动筛、汽车转向销、水力发电机、饮料设备、掘进机、港口起重机等各大领域。

SKF SIKAC 5 M/VZ019轴承详细参数

需要维护的杆端, 钢对青铜,阴螺纹
主要数据尺寸角度倾的基本负荷额定值质量型号
动态静态轴承座完全与
dd2Bd3C1h1±CC0
6H
mm度数kNkg-
5198M 47,527133,255,40,019SIKAC 5 M/VZ019

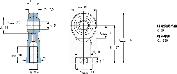
SKF SIKAC 5 M/VZ019轴承尺寸图纸

李工:138-8949-5179

刘工:135-0428-8802

地址:辽宁省大连经济技术开发区现代城3栋-13-13号

在线客服系统