李工:138-8949-5179 刘工:135-0428-8802
型号查询
轴承型号   常见搜索: 6010轴承 6309轴承 6006轴承 6030轴承 6032轴承 *轴承
型号查询 X

轴承专区

Bearings Center

SILKAC 18 M轴承-SKF SILKAC 18 M轴承尺寸、图纸、价格

SKF SILKAC 18 M轴承

产品名称:SILKAC 18 M轴承 品牌:SKF
类型:SKF轴承 > 球面滑动轴承和杆端关节轴承 > 需维护的杆端关节轴承
描述:SILKAC 18 M轴承是【SKF轴承 > 球面滑动轴承和杆端关节轴承 > 需维护的杆端关节轴承】的型号,主要用在家用电器、油泵、发电机、机床主轴、轧钢机辊道子、石油钻机、塔吊、医药设备、给料机械、塔式车库等各大领域

 电话/微信:138-8949-5179

SKF SILKAC 18 M轴承详细信息

SILKAC 18 M轴承是【SKF轴承 > 球面滑动轴承和杆端关节轴承 > 需维护的杆端关节轴承】的型号,主要用在家用电器、油泵、发电机、机床主轴、轧钢机辊道子、石油钻机、塔吊、医药设备、给料机械、塔式车库等各大领域。

SKF SILKAC 18 M轴承详细参数

需要维护的杆端, 钢对青铜,阴螺纹
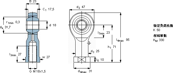
主要数据尺寸角度倾的基本负荷额定值质量型号
动态静态轴承座完全与
dd2Bd3C1h1±CC0
6H
mm度数kNkg-
184723M 18x1,517,571152635,50,33SILKAC 18 M

SKF SILKAC 18 M轴承尺寸图纸

李工:138-8949-5179

刘工:135-0428-8802

地址:辽宁省大连经济技术开发区现代城3栋-13-13号

在线客服系统