李工:138-8949-5179 刘工:135-0428-8802
型号查询
轴承型号   常见搜索: 71913轴承 6006轴承 6013轴承 3214轴承 1轴承 23136轴承
型号查询 X

轴承专区

Bearings Center

7322 BEP轴承-SKF 7322 BEP轴承尺寸、图纸、价格

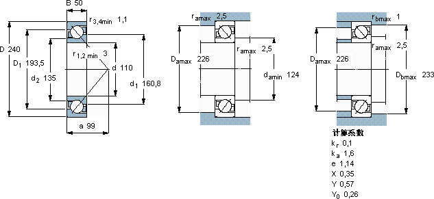
SKF 7322 BEP轴承

产品名称:7322 BEP轴承 品牌:SKF
类型:SKF轴承 > 滚动轴承 > 角接触球轴承
描述:7322 BEP轴承是【SKF轴承 > 滚动轴承 > 角接触球轴承】的型号,主要用在后轮、油泵、变速器、机床主轴、轧钢机辊道子、石油钻机、水力发电机、啤酒、给料机械、港口起重机等各大领域

 电话/微信:138-8949-5179

SKF 7322 BEP轴承详细信息

7322 BEP轴承是【SKF轴承 > 滚动轴承 > 角接触球轴承】的型号,主要用在后轮、油泵、变速器、机床主轴、轧钢机辊道子、石油钻机、水力发电机、啤酒、给料机械、港口起重机等各大领域。

SKF 7322 BEP轴承详细参数

角接触球轴承, 单列
主要数据尺寸尺寸 [英寸]疲劳负荷限值额定速度体积型号
动态静态参照速度限制速度
dDBCC0Pu
mmkNkNr/minkg-
110240502252247,2320032009,697322 BEP

SKF 7322 BEP轴承尺寸图纸

李工:138-8949-5179

刘工:135-0428-8802

地址:辽宁省大连经济技术开发区现代城3栋-13-13号

在线客服系统