李工:138-8949-5179 刘工:135-0428-8802
型号查询
轴承型号   常见搜索: 617轴承 *轴承 6004轴承 6026轴承 6005轴承 6002轴承
型号查询 X

轴承专区

Bearings Center

SILA 45 ES-2RS轴承-SKF SILA 45 ES-2RS轴承尺寸、图纸、价格

SKF SILA 45 ES-2RS轴承

产品名称:SILA 45 ES-2RS轴承 品牌:SKF
类型:SKF轴承 > 球面滑动轴承和杆端关节轴承 > 需维护的杆端关节轴承
描述:SILA 45 ES-2RS轴承是【SKF轴承 > 球面滑动轴承和杆端关节轴承 > 需维护的杆端关节轴承】的型号,主要用在内燃机、机床主轴、泵、汽车、振动筛、汽车转向销、挤压机、啤酒、土方机械、抓钢机等各大领域

 电话/微信:138-8949-5179

SKF SILA 45 ES-2RS轴承详细信息

SILA 45 ES-2RS轴承是【SKF轴承 > 球面滑动轴承和杆端关节轴承 > 需维护的杆端关节轴承】的型号,主要用在内燃机、机床主轴、泵、汽车、振动筛、汽车转向销、挤压机、啤酒、土方机械、抓钢机等各大领域。

SKF SILA 45 ES-2RS轴承详细参数

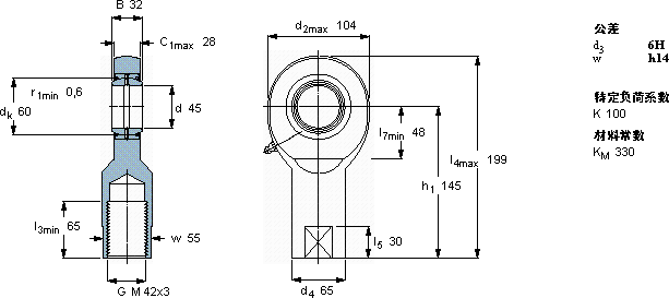
需要维护的杆端, 钢对钢,阴螺纹, 两面密封件
主要数据尺寸角度倾的基本负荷额定值质量型号
动态静态杆端带右或左旋螺纹
dd2Bd3C1h1±CC0
6H
mm度数kNkg-
4510432M 42x32814571272243,20SILA 45 ES-2RS

SKF SILA 45 ES-2RS轴承尺寸图纸

李工:138-8949-5179

刘工:135-0428-8802

地址:辽宁省大连经济技术开发区现代城3栋-13-13号

在线客服系统