轴承专区
Bearings Center
SIL 8 E轴承-SKF SIL 8 E轴承尺寸、图纸、价格
SKF SIL 8 E轴承
| 产品名称: | SIL 8 E轴承 | 品牌: | SKF |
|---|---|---|---|
| 类型: | SKF轴承 > 球面滑动轴承和杆端关节轴承 > 需维护的杆端关节轴承 | ||
| 描述: | SIL 8 E轴承是【SKF轴承 > 球面滑动轴承和杆端关节轴承 > 需维护的杆端关节轴承】的型号,主要用在农业机械、机床主轴、提升机、汽车、铁路车辆车轴、汽车转向销、钢铁厂、钟表、掘进机、太阳能发电设备等各大领域 | ||
电话/微信:138-8949-5179
SKF SIL 8 E轴承详细信息
SIL 8 E轴承是【SKF轴承 > 球面滑动轴承和杆端关节轴承 > 需维护的杆端关节轴承】的型号,主要用在农业机械、机床主轴、提升机、汽车、铁路车辆车轴、汽车转向销、钢铁厂、钟表、掘进机、太阳能发电设备等各大领域。
SKF SIL 8 E轴承详细参数
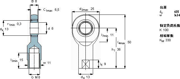
| 需要维护的杆端, 钢对钢,阴螺纹 | |||||||||||
| 主要数据尺寸 | 角度倾的 | 基本负荷额定值 | 质量 | 型号 | |||||||
| 动态 | 静态 | 杆端带右或左旋螺纹 | |||||||||
| d | d2 | B | d3 | C1 | h1 | ± | C | C0 | |||
| 6H | |||||||||||
| mm | 度数 | kN | kg | - | |||||||
| 8 | 25 | 8 | M 8 | 6,5 | 36 | 15 | 5,5 | 12,9 | 0,039 | SIL 8 E | |
SKF SIL 8 E轴承尺寸图纸

