李工:138-8949-5179 刘工:135-0428-8802
型号查询
轴承型号   常见搜索: 3214轴承 6009轴承 22222轴承 6304轴承 6017轴承 6008轴承
型号查询 X

轴承专区

Bearings Center

HMV 106E轴承-SKF HMV 106E轴承尺寸、图纸、价格

SKF HMV 106E轴承

产品名称:HMV 106E轴承 品牌:SKF
类型:SKF轴承 > 滚动轴承 > 轴承附件
描述:HMV 106E轴承是【SKF轴承 > 滚动轴承 > 轴承附件】的型号,主要用在飞机喷气式发动机、小型汽车前轮、挖土机履带轮、差速器、振动筛、耕耘机、燃机、化纤机械、地基处理机械、厨具设备等各大领域

 电话/微信:138-8949-5179

SKF HMV 106E轴承详细信息

HMV 106E轴承是【SKF轴承 > 滚动轴承 > 轴承附件】的型号,主要用在飞机喷气式发动机、小型汽车前轮、挖土机履带轮、差速器、振动筛、耕耘机、燃机、化纤机械、地基处理机械、厨具设备等各大领域。

SKF HMV 106E轴承详细参数

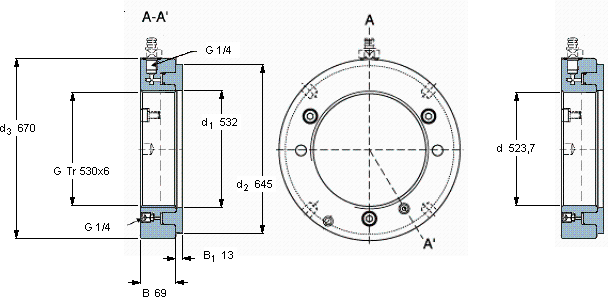
Hydraulic nuts, metric sizes
螺纹尺寸尺寸PermittedPiston area体积型号
piston
Gd1d2d3BB1displacement
mmmm (metric sizes)mmmmmm2 (metric sizes)kg-
in - threads/in (inch sizes)in2 (inch sizes)
530Tr 530x65326456706913215620079,0HMV 106EHMV 106E/A101

SKF HMV 106E轴承尺寸图纸

李工:138-8949-5179

刘工:135-0428-8802

地址:辽宁省大连经济技术开发区现代城3栋-13-13号

在线客服系统