轴承专区
Bearings Center
SIL 17 C轴承-SKF SIL 17 C轴承尺寸、图纸、价格
SKF SIL 17 C轴承
| 产品名称: | SIL 17 C轴承 | 品牌: | SKF |
|---|---|---|---|
| 类型: | SKF轴承 > 球面滑动轴承和杆端关节轴承 > 免维护的杆端关节轴承 | ||
| 描述: | SIL 17 C轴承是【SKF轴承 > 球面滑动轴承和杆端关节轴承 > 免维护的杆端关节轴承】的型号,主要用在各种产业机械、各类变速器、纺织机械传动轴、铁路车辆、印刷机械、机床主轴、发电厂、洗染、混凝土机械、塔式车库等各大领域 | ||
电话/微信:138-8949-5179
SKF SIL 17 C轴承详细信息
SIL 17 C轴承是【SKF轴承 > 球面滑动轴承和杆端关节轴承 > 免维护的杆端关节轴承】的型号,主要用在各种产业机械、各类变速器、纺织机械传动轴、铁路车辆、印刷机械、机床主轴、发电厂、洗染、混凝土机械、塔式车库等各大领域。
SKF SIL 17 C轴承详细参数
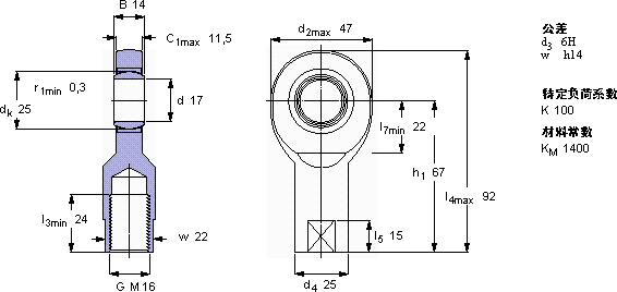
| 免维护杆端, 阴螺纹, 钢/烧结铜复合材料 | |||||||||||
| 主要数据尺寸 | 角度倾的 | 基本负荷额定值 | 质量 | 型号 | |||||||
| 动态 | 静态 | 轴承座完全与密封件 | |||||||||
| d | d2 | B | d3 | C1 | h1 | ± | C | C0 | |||
| 6H | |||||||||||
| mm | 度数 | kN | kg | - | |||||||
| 17 | 47 | 14 | M 16 | 11,5 | 67 | 10 | 22,4 | 46,5 | 0,25 | SIL 17 C | |
SKF SIL 17 C轴承尺寸图纸

