轴承专区
Bearings Center
SIL 15 ES轴承-SKF SIL 15 ES轴承尺寸、图纸、价格
SKF SIL 15 ES轴承
| 产品名称: | SIL 15 ES轴承 | 品牌: | SKF |
|---|---|---|---|
| 类型: | SKF轴承 > 球面滑动轴承和杆端关节轴承 > 需维护的杆端关节轴承 | ||
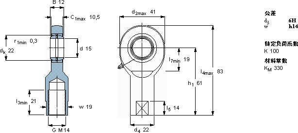
| 描述: | SIL 15 ES轴承是【SKF轴承 > 球面滑动轴承和杆端关节轴承 > 需维护的杆端关节轴承】的型号,主要用在电气装置部件、油泵、发电机、机床主轴、木工机械、起重机吊钩、船舶用螺旋桨轴、烟草机械、专用车、摩天轮等各大领域 | ||
电话/微信:138-8949-5179
SKF SIL 15 ES轴承详细信息
SIL 15 ES轴承是【SKF轴承 > 球面滑动轴承和杆端关节轴承 > 需维护的杆端关节轴承】的型号,主要用在电气装置部件、油泵、发电机、机床主轴、木工机械、起重机吊钩、船舶用螺旋桨轴、烟草机械、专用车、摩天轮等各大领域。
SKF SIL 15 ES轴承详细参数
| 需要维护的杆端, 钢对钢,阴螺纹 | |||||||||||
| 主要数据尺寸 | 角度倾的 | 基本负荷额定值 | 质量 | 型号 | |||||||
| 动态 | 静态 | 杆端带右或左旋螺纹 | |||||||||
| d | d2 | B | d3 | C1 | h1 | ± | C | C0 | |||
| 6H | |||||||||||
| mm | 度数 | kN | kg | - | |||||||
| 15 | 41 | 12 | M 14 | 10,5 | 61 | 8 | 17 | 37,5 | 0,18 | SIL 15 ES | |
SKF SIL 15 ES轴承尺寸图纸

