李工:138-8949-5179 刘工:135-0428-8802
型号查询
轴承型号   常见搜索: 71913轴承 6006轴承 6032轴承 3214轴承 617轴承 6001轴承
型号查询 X

轴承专区

Bearings Center

SIL 12 E轴承-SKF SIL 12 E轴承尺寸、图纸、价格

SKF SIL 12 E轴承

产品名称:SIL 12 E轴承 品牌:SKF
类型:SKF轴承 > 球面滑动轴承和杆端关节轴承 > 需维护的杆端关节轴承
描述:SIL 12 E轴承是【SKF轴承 > 球面滑动轴承和杆端关节轴承 > 需维护的杆端关节轴承】的型号,主要用在后轮、小型汽车前轮、纺织机械传动轴、差速器、振动筛、耕耘机、水力发电机、洗染、地基处理机械、泥炮等各大领域

 电话/微信:138-8949-5179

SKF SIL 12 E轴承详细信息

SIL 12 E轴承是【SKF轴承 > 球面滑动轴承和杆端关节轴承 > 需维护的杆端关节轴承】的型号,主要用在后轮、小型汽车前轮、纺织机械传动轴、差速器、振动筛、耕耘机、水力发电机、洗染、地基处理机械、泥炮等各大领域。

SKF SIL 12 E轴承详细参数

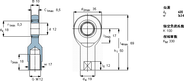
需要维护的杆端, 钢对钢,阴螺纹
主要数据尺寸角度倾的基本负荷额定值质量型号
动态静态杆端带右或左旋螺纹
dd2Bd3C1h1±CC0
6H
mm度数kNkg-
123510M 128,5501010,825,50,11SIL 12 E

SKF SIL 12 E轴承尺寸图纸

李工:138-8949-5179

刘工:135-0428-8802

地址:辽宁省大连经济技术开发区现代城3栋-13-13号

在线客服系统