李工:138-8949-5179 刘工:135-0428-8802
型号查询
轴承型号   常见搜索: 6030轴承 6020轴承 6005轴承 6007轴承 6028轴承 3214轴承
型号查询 X

轴承专区

Bearings Center

22224 E *轴承-SKF 22224 E *轴承尺寸、图纸、价格

SKF 22224 E *轴承

产品名称:22224 E *轴承 品牌:SKF
类型:SKF轴承 > 滚动轴承 > 球面滚子轴承
描述:22224 E *轴承是【SKF轴承 > 滚动轴承 > 球面滚子轴承】的型号,主要用在装卸搬运机械、印刷机械、中型及大型电动机、轧钢机辊颈、减速装置、制铁制钢机械、矿山、电子、起重机械、风力发电设备等各大领域

 电话/微信:138-8949-5179

SKF 22224 E *轴承详细信息

22224 E *轴承是【SKF轴承 > 滚动轴承 > 球面滚子轴承】的型号,主要用在装卸搬运机械、印刷机械、中型及大型电动机、轧钢机辊颈、减速装置、制铁制钢机械、矿山、电子、起重机械、风力发电设备等各大领域。

SKF 22224 E *轴承详细参数

球面滚子轴承, 圆柱和圆锥孔, 圆柱型内孔, 无密封件
主要数据尺寸基本负荷额定值疲劳负荷限值额定速度体积型号
动态静态参照速度限制速度
dDBCC0Pu * - SKF Explorer 轴承
mmkNkNr/minkg-
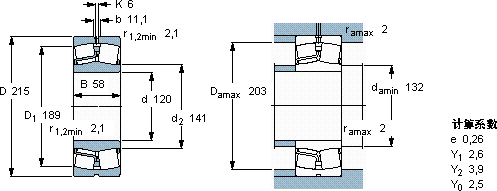
1202155863076573,5280038008,7022224 E *

SKF 22224 E *轴承尺寸图纸

李工:138-8949-5179

刘工:135-0428-8802

地址:辽宁省大连经济技术开发区现代城3栋-13-13号

在线客服系统