李工:138-8949-5179 刘工:135-0428-8802
型号查询
轴承型号   常见搜索: 6304轴承 6004轴承 6007轴承 6309轴承 6012轴承 688a轴承
型号查询 X

轴承专区

Bearings Center

232/560 CAK/W33 + OH 32/560 H轴承-SKF 232/560 CAK/W33 + OH 32/560 H轴承尺寸、图纸、价格

SKF 232/560 CAK/W33 + OH 32/560 H轴承

产品名称:232/560 CAK/W33 + OH 32/560 H轴承 品牌:SKF
类型:SKF轴承 > 滚动轴承 > 球面滚子轴承
描述:232/560 CAK/W33 + OH 32/560 H轴承是【SKF轴承 > 滚动轴承 > 球面滚子轴承】的型号,主要用在变速器、差速器小齿轮轴、发电机、小齿轮轴、印刷机械、机床主轴、立式电动机、化纤机械、混凝土机械、吹氧装置等各大领域

 电话/微信:138-8949-5179

SKF 232/560 CAK/W33 + OH 32/560 H轴承详细信息

232/560 CAK/W33 + OH 32/560 H轴承是【SKF轴承 > 滚动轴承 > 球面滚子轴承】的型号,主要用在变速器、差速器小齿轮轴、发电机、小齿轮轴、印刷机械、机床主轴、立式电动机、化纤机械、混凝土机械、吹氧装置等各大领域。

SKF 232/560 CAK/W33 + OH 32/560 H轴承详细参数

球面滚子轴承, 带紧定套的
主要数据尺寸基本负荷额定值疲劳负荷限值额定速度体积型号
动态静态参照速度限制速度轴承 + 紧定套
d1DBCC0Pu
mmkNkNr/minkg-
5301030365115002200014002804301490232/560 CAK/W33 + OH 32/560 H

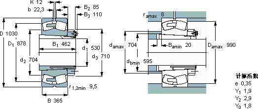
SKF 232/560 CAK/W33 + OH 32/560 H轴承尺寸图纸

李工:138-8949-5179

刘工:135-0428-8802

地址:辽宁省大连经济技术开发区现代城3栋-13-13号

在线客服系统