轴承专区
Bearings Center
SIJ 100 ES轴承-SKF SIJ 100 ES轴承尺寸、图纸、价格
SKF SIJ 100 ES轴承
| 产品名称: | SIJ 100 ES轴承 | 品牌: | SKF |
|---|---|---|---|
| 类型: | SKF轴承 > 球面滑动轴承和杆端关节轴承 > 需维护的杆端关节轴承 | ||
| 描述: | SIJ 100 ES轴承是【SKF轴承 > 球面滑动轴承和杆端关节轴承 > 需维护的杆端关节轴承】的型号,主要用在农业机械、燃料喷射泵、中型及大型电动机、齿轮减速装置、铁路车辆车轴、起重机吊钩、钢铁厂、音像设备、专用车、机场加油机等各大领域 | ||
电话/微信:138-8949-5179
SKF SIJ 100 ES轴承详细信息
SIJ 100 ES轴承是【SKF轴承 > 球面滑动轴承和杆端关节轴承 > 需维护的杆端关节轴承】的型号,主要用在农业机械、燃料喷射泵、中型及大型电动机、齿轮减速装置、铁路车辆车轴、起重机吊钩、钢铁厂、音像设备、专用车、机场加油机等各大领域。
SKF SIJ 100 ES轴承详细参数
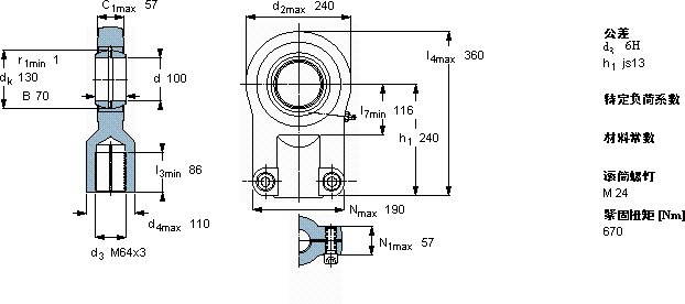
| 需要维护的杆端, 钢对钢,阴螺纹,用于液压滚筒 | |||||||||||
| 主要数据尺寸 | 角度倾的 | 基本负荷额定值 | 质量 | 型号 | |||||||
| 动态 | 静态 | 杆端带右旋螺纹 | |||||||||
| d | d2 | B | d3 | C1 | h1 | ± | C | C0 | |||
| 6H | |||||||||||
| mm | 度数 | kN | kg | - | |||||||
| 100 | 240 | 70 | M64x3 | 57 | 240 | 3 | 610 | 780 | 26,0 | SIJ 100 ES | |
SKF SIJ 100 ES轴承尺寸图纸

