李工:138-8949-5179 刘工:135-0428-8802
型号查询
轴承型号   常见搜索: 3214轴承 6001轴承 6020轴承 6017轴承 6021轴承 6002轴承
型号查询 X

轴承专区

Bearings Center

7320 BECBP *轴承-SKF 7320 BECBP *轴承尺寸、图纸、价格

SKF 7320 BECBP *轴承

产品名称:7320 BECBP *轴承 品牌:SKF
类型:SKF轴承 > 滚动轴承 > 角接触球轴承
描述:7320 BECBP *轴承是【SKF轴承 > 滚动轴承 > 角接触球轴承】的型号,主要用在建筑机械、罗茨鼓风机、桥式起重机、建筑机械、各类产业用减速机、石油钻机转环、成形机、烟草机械、凿岩机械、泥炮等各大领域

 电话/微信:138-8949-5179

SKF 7320 BECBP *轴承详细信息

7320 BECBP *轴承是【SKF轴承 > 滚动轴承 > 角接触球轴承】的型号,主要用在建筑机械、罗茨鼓风机、桥式起重机、建筑机械、各类产业用减速机、石油钻机转环、成形机、烟草机械、凿岩机械、泥炮等各大领域。

SKF 7320 BECBP *轴承详细参数

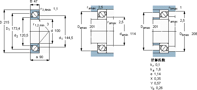
角接触球轴承, 单列
主要数据尺寸尺寸 [英寸]疲劳负荷限值额定速度体积型号
动态静态参照速度限制速度
dDBCC0Pu * - SKF Explorer 轴承
mmkNkNr/minkg-
100215472162086,95400040007,177320 BECBP *

SKF 7320 BECBP *轴承尺寸图纸

李工:138-8949-5179

刘工:135-0428-8802

地址:辽宁省大连经济技术开发区现代城3栋-13-13号

在线客服系统