轴承专区
Bearings Center
SIA 50 TXE-2LS轴承-SKF SIA 50 TXE-2LS轴承尺寸、图纸、价格
SKF SIA 50 TXE-2LS轴承
| 产品名称: | SIA 50 TXE-2LS轴承 | 品牌: | SKF |
|---|---|---|---|
| 类型: | SKF轴承 > 球面滑动轴承和杆端关节轴承 > 免维护的杆端关节轴承 | ||
| 描述: | SIA 50 TXE-2LS轴承是【SKF轴承 > 球面滑动轴承和杆端关节轴承 > 免维护的杆端关节轴承】的型号,主要用在建筑机械、各类变速器、压缩机、铁路车辆、减速装置、机床主轴、成形机、陶瓷机械、挖掘机、港口起重机等各大领域 | ||
电话/微信:138-8949-5179
SKF SIA 50 TXE-2LS轴承详细信息
SIA 50 TXE-2LS轴承是【SKF轴承 > 球面滑动轴承和杆端关节轴承 > 免维护的杆端关节轴承】的型号,主要用在建筑机械、各类变速器、压缩机、铁路车辆、减速装置、机床主轴、成形机、陶瓷机械、挖掘机、港口起重机等各大领域。
SKF SIA 50 TXE-2LS轴承详细参数
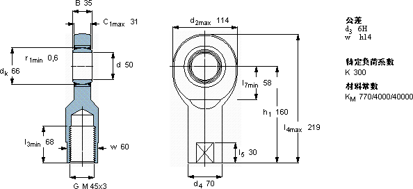
| 免维护杆端, 阴螺纹, 钢/PTFE织物 , 两面密封件 | |||||||||||
| 主要数据尺寸 | 角度倾的 | 基本负荷额定值 | 质量 | 型号 | |||||||
| 动态 | 静态 | 轴承座完全与密封件 | |||||||||
| d | d2 | B | d3 | C1 | h1 | ± | C | C0 | |||
| 6H | |||||||||||
| mm | 度数 | kN | kg | - | |||||||
| 50 | 114 | 35 | M 45x3 | 31 | 160 | 6 | 440 | 270 | 4,10 | SIA 50 TXE-2LS | |
SKF SIA 50 TXE-2LS轴承尺寸图纸

