李工:138-8949-5179 刘工:135-0428-8802
型号查询
轴承型号   常见搜索: 6010轴承 6019轴承 6309轴承 6024轴承 6008轴承 688a轴承
型号查询 X

轴承专区

Bearings Center

SI 70 TXE-2LS轴承-SKF SI 70 TXE-2LS轴承尺寸、图纸、价格

SKF SI 70 TXE-2LS轴承

产品名称:SI 70 TXE-2LS轴承 品牌:SKF
类型:SKF轴承 > 球面滑动轴承和杆端关节轴承 > 免维护的杆端关节轴承
描述:SI 70 TXE-2LS轴承是【SKF轴承 > 球面滑动轴承和杆端关节轴承 > 免维护的杆端关节轴承】的型号,主要用在后轮、小型汽车前轮、汽车发动机、差速器、木工机械、汽车转向销、水力发电机、电子、掘进机、泥炮等各大领域

 电话/微信:138-8949-5179

SKF SI 70 TXE-2LS轴承详细信息

SI 70 TXE-2LS轴承是【SKF轴承 > 球面滑动轴承和杆端关节轴承 > 免维护的杆端关节轴承】的型号,主要用在后轮、小型汽车前轮、汽车发动机、差速器、木工机械、汽车转向销、水力发电机、电子、掘进机、泥炮等各大领域。

SKF SI 70 TXE-2LS轴承详细参数

免维护杆端, 阴螺纹, 钢/PTFE织物 , 两面密封件
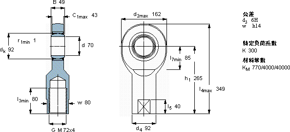
主要数据尺寸角度倾的基本负荷额定值质量型号
动态静态轴承座完全与密封件
dd2Bd3C1h1±CC0
6H
mm度数kNkg-
7016249M 72x443265688053010,5SI 70 TXE-2LS

SKF SI 70 TXE-2LS轴承尺寸图纸

李工:138-8949-5179

刘工:135-0428-8802

地址:辽宁省大连经济技术开发区现代城3栋-13-13号

在线客服系统