轴承专区
Bearings Center
SI 45 TXE-2LS轴承-SKF SI 45 TXE-2LS轴承尺寸、图纸、价格
SKF SI 45 TXE-2LS轴承
| 产品名称: | SI 45 TXE-2LS轴承 | 品牌: | SKF |
|---|---|---|---|
| 类型: | SKF轴承 > 球面滑动轴承和杆端关节轴承 > 免维护的杆端关节轴承 | ||
| 描述: | SI 45 TXE-2LS轴承是【SKF轴承 > 球面滑动轴承和杆端关节轴承 > 免维护的杆端关节轴承】的型号,主要用在电气装置部件、小型汽车前轮、变速器、差速器、振动筛、耕耘机、船舶用螺旋桨轴、烟草机械、地基处理机械、伽玛等各大领域 | ||
电话/微信:138-8949-5179
SKF SI 45 TXE-2LS轴承详细信息
SI 45 TXE-2LS轴承是【SKF轴承 > 球面滑动轴承和杆端关节轴承 > 免维护的杆端关节轴承】的型号,主要用在电气装置部件、小型汽车前轮、变速器、差速器、振动筛、耕耘机、船舶用螺旋桨轴、烟草机械、地基处理机械、伽玛等各大领域。
SKF SI 45 TXE-2LS轴承详细参数
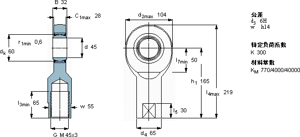
| 免维护杆端, 阴螺纹, 钢/PTFE织物 , 两面密封件 | |||||||||||
| 主要数据尺寸 | 角度倾的 | 基本负荷额定值 | 质量 | 型号 | |||||||
| 动态 | 静态 | 轴承座完全与密封件 | |||||||||
| d | d2 | B | d3 | C1 | h1 | ± | C | C0 | |||
| 6H | |||||||||||
| mm | 度数 | kN | kg | - | |||||||
| 45 | 104 | 32 | M 45x3 | 28 | 165 | 7 | 360 | 224 | 3,20 | SI 45 TXE-2LS | |
SKF SI 45 TXE-2LS轴承尺寸图纸

