李工:138-8949-5179 刘工:135-0428-8802
型号查询
轴承型号   常见搜索: 6032轴承 6020轴承 71913轴承 6205轴承 6900轴承 6909轴承
型号查询 X

轴承专区

Bearings Center

SAL 8 E轴承-SKF SAL 8 E轴承尺寸、图纸、价格

SKF SAL 8 E轴承

产品名称:SAL 8 E轴承 品牌:SKF
类型:SKF轴承 > 球面滑动轴承和杆端关节轴承 > 需维护的杆端关节轴承
描述:SAL 8 E轴承是【SKF轴承 > 球面滑动轴承和杆端关节轴承 > 需维护的杆端关节轴承】的型号,主要用在家用电器、油泵、提升机、机床主轴、造纸机械、起重机吊钩、塔吊、破碎、强夯机、塔式车库等各大领域

 电话/微信:138-8949-5179

SKF SAL 8 E轴承详细信息

SAL 8 E轴承是【SKF轴承 > 球面滑动轴承和杆端关节轴承 > 需维护的杆端关节轴承】的型号,主要用在家用电器、油泵、提升机、机床主轴、造纸机械、起重机吊钩、塔吊、破碎、强夯机、塔式车库等各大领域。

SKF SAL 8 E轴承详细参数

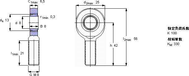
需要维护的杆端, 钢对钢,阳螺纹
主要数据尺寸角度倾的基本负荷额定值质量型号
动态静态杆端带右或左旋螺纹
dd2Bd3C1h±CC0
6g
mm度数kNkg-
8258M 86,542153,48,150,029SAL 8 E

SKF SAL 8 E轴承尺寸图纸

李工:138-8949-5179

刘工:135-0428-8802

地址:辽宁省大连经济技术开发区现代城3栋-13-13号

在线客服系统