李工:138-8949-5179 刘工:135-0428-8802
型号查询
轴承型号   常见搜索: *轴承 6909轴承 6013轴承 6019轴承 6024轴承 6006轴承
型号查询 X

轴承专区

Bearings Center

6208/W64 *轴承-SKF 6208/W64 *轴承尺寸、图纸、价格

SKF 6208/W64 *轴承

产品名称:6208/W64 *轴承 品牌:SKF
类型:SKF轴承 > 滚动轴承 > 深沟球轴承
描述:6208/W64 *轴承是【SKF轴承 > 滚动轴承 > 深沟球轴承】的型号,主要用在后轮、空气压缩机、木工机械、大型农业机械、木工机械、汽车转向销、水力发电机、化纤机械、土方机械、焊接机器人等各大领域

 电话/微信:138-8949-5179

SKF 6208/W64 *轴承详细信息

6208/W64 *轴承是【SKF轴承 > 滚动轴承 > 深沟球轴承】的型号,主要用在后轮、空气压缩机、木工机械、大型农业机械、木工机械、汽车转向销、水力发电机、化纤机械、土方机械、焊接机器人等各大领域。

SKF 6208/W64 *轴承详细参数

深沟球轴承, 单列, 含Solid Oil, 无密封件
主要数据尺寸基本负荷额定值疲劳负荷限值限制速度体积型号
动态静态
dDBCC0Pu * - SKF Explorer 轴承
mmkNkNr/minkg-
40801832,5190,850000,376208/W64 *

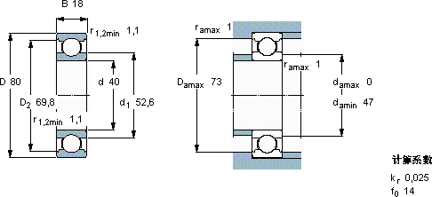
SKF 6208/W64 *轴承尺寸图纸

李工:138-8949-5179

刘工:135-0428-8802

地址:辽宁省大连经济技术开发区现代城3栋-13-13号

在线客服系统