李工:138-8949-5179 刘工:135-0428-8802
型号查询
轴承型号   常见搜索: 6009轴承 6019轴承 6022轴承 6309轴承 6017轴承 3214轴承
型号查询 X

轴承专区

Bearings Center

SAL 10 E轴承-SKF SAL 10 E轴承尺寸、图纸、价格

SKF SAL 10 E轴承

产品名称:SAL 10 E轴承 品牌:SKF
类型:SKF轴承 > 球面滑动轴承和杆端关节轴承 > 需维护的杆端关节轴承
描述:SAL 10 E轴承是【SKF轴承 > 球面滑动轴承和杆端关节轴承 > 需维护的杆端关节轴承】的型号,主要用在内燃机、空气压缩机、压缩机、大型农业机械、铁路车辆车轴、汽车转向销、挤压机、精细化工机械、掘进机、数控设备等各大领域

 电话/微信:138-8949-5179

SKF SAL 10 E轴承详细信息

SAL 10 E轴承是【SKF轴承 > 球面滑动轴承和杆端关节轴承 > 需维护的杆端关节轴承】的型号,主要用在内燃机、空气压缩机、压缩机、大型农业机械、铁路车辆车轴、汽车转向销、挤压机、精细化工机械、掘进机、数控设备等各大领域。

SKF SAL 10 E轴承详细参数

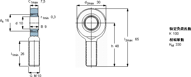
需要维护的杆端, 钢对钢,阳螺纹
主要数据尺寸角度倾的基本负荷额定值质量型号
动态静态杆端带右或左旋螺纹
dd2Bd3C1h±CC0
6g
mm度数kNkg-
10309M 107,548128,1518,30,049SAL 10 E

SKF SAL 10 E轴承尺寸图纸

李工:138-8949-5179

刘工:135-0428-8802

地址:辽宁省大连经济技术开发区现代城3栋-13-13号

在线客服系统