李工:138-8949-5179 刘工:135-0428-8802
型号查询
轴承型号   常见搜索: 6020轴承 6007轴承 2026轴承 3214轴承 6017轴承 6015轴承
型号查询 X

轴承专区

Bearings Center

SAKB 6 F轴承-SKF SAKB 6 F轴承尺寸、图纸、价格

SKF SAKB 6 F轴承

产品名称:SAKB 6 F轴承 品牌:SKF
类型:SKF轴承 > 球面滑动轴承和杆端关节轴承 > 免维护的杆端关节轴承
描述:SAKB 6 F轴承是【SKF轴承 > 球面滑动轴承和杆端关节轴承 > 免维护的杆端关节轴承】的型号,主要用在农业机械、燃汽轮机、发电机、后轮、木工机械、石油钻机、钢铁厂、陶瓷机械、解体机、刮泥机等各大领域

 电话/微信:138-8949-5179

SKF SAKB 6 F轴承详细信息

SAKB 6 F轴承是【SKF轴承 > 球面滑动轴承和杆端关节轴承 > 免维护的杆端关节轴承】的型号,主要用在农业机械、燃汽轮机、发电机、后轮、木工机械、石油钻机、钢铁厂、陶瓷机械、解体机、刮泥机等各大领域。

SKF SAKB 6 F轴承详细参数

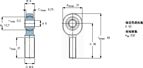
免维护杆端, 阳螺纹, 钢/PTFE复合材料
主要数据尺寸角度倾的基本负荷额定值质量型号
动态静态轴承座完全与密封件
dd2Bd3C1h±CC0
6g
mm度数kNkg-
6219M 66,7536134,256,80,021SAKB 6 F

SKF SAKB 6 F轴承尺寸图纸

李工:138-8949-5179

刘工:135-0428-8802

地址:辽宁省大连经济技术开发区现代城3栋-13-13号

在线客服系统