李工:138-8949-5179 刘工:135-0428-8802
型号查询
轴承型号   常见搜索: 2025轴承 6022轴承 6024轴承 6020轴承 6030轴承 6004轴承
型号查询 X

轴承专区

Bearings Center

1308 EKTN9 + H 308轴承-SKF 1308 EKTN9 + H 308轴承尺寸、图纸、价格

SKF 1308 EKTN9 + H 308轴承

产品名称:1308 EKTN9 + H 308轴承 品牌:SKF
类型:SKF轴承 > 滚动轴承 > 自调心球轴承
描述:1308 EKTN9 + H 308轴承是【SKF轴承 > 滚动轴承 > 自调心球轴承】的型号,主要用在飞机喷气式发动机、机床主轴、燃汽轮机、汽车、造纸机械、耕耘机、燃机、洗染、地基处理机械、坦克等各大领域

 电话/微信:138-8949-5179

SKF 1308 EKTN9 + H 308轴承详细信息

1308 EKTN9 + H 308轴承是【SKF轴承 > 滚动轴承 > 自调心球轴承】的型号,主要用在飞机喷气式发动机、机床主轴、燃汽轮机、汽车、造纸机械、耕耘机、燃机、洗染、地基处理机械、坦克等各大领域。

SKF 1308 EKTN9 + H 308轴承详细参数

自调心球轴承, 带紧定套, 无密封件
主要数据尺寸基本负荷额定值疲劳负荷限值额定速度体积型号
动态静态参照速度限制速度轴承 + 紧定套
d1DBCC0Pu
mmkNkNr/minkg-
35902333,811,20,571400095000,851308 EKTN9 + H 308

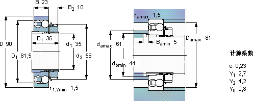
SKF 1308 EKTN9 + H 308轴承尺寸图纸

李工:138-8949-5179

刘工:135-0428-8802

地址:辽宁省大连经济技术开发区现代城3栋-13-13号

在线客服系统