李工:138-8949-5179 刘工:135-0428-8802
型号查询
轴承型号   常见搜索: 2025轴承 6011轴承 32313轴承 6002轴承 6028轴承 6214轴承
型号查询 X

轴承专区

Bearings Center

SAKB 14 F轴承-SKF SAKB 14 F轴承尺寸、图纸、价格

SKF SAKB 14 F轴承

产品名称:SAKB 14 F轴承 品牌:SKF
类型:SKF轴承 > 球面滑动轴承和杆端关节轴承 > 免维护的杆端关节轴承
描述:SAKB 14 F轴承是【SKF轴承 > 球面滑动轴承和杆端关节轴承 > 免维护的杆端关节轴承】的型号,主要用在飞机喷气式发动机、油泵、汽车发动机、机床主轴、轧钢机辊道子、石油钻机、燃机、破碎、解体机、坦克等各大领域

 电话/微信:138-8949-5179

SKF SAKB 14 F轴承详细信息

SAKB 14 F轴承是【SKF轴承 > 球面滑动轴承和杆端关节轴承 > 免维护的杆端关节轴承】的型号,主要用在飞机喷气式发动机、油泵、汽车发动机、机床主轴、轧钢机辊道子、石油钻机、燃机、破碎、解体机、坦克等各大领域。

SKF SAKB 14 F轴承详细参数

免维护杆端, 阳螺纹, 钢/PTFE复合材料
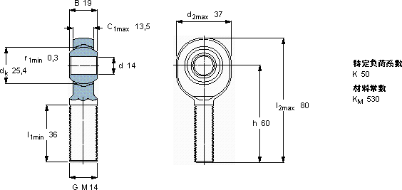
主要数据尺寸角度倾的基本负荷额定值质量型号
动态静态轴承座完全与密封件
dd2Bd3C1h±CC0
6g
mm度数kNkg-
143719M 1413,560161725,50,14SAKB 14 F

SKF SAKB 14 F轴承尺寸图纸

李工:138-8949-5179

刘工:135-0428-8802

地址:辽宁省大连经济技术开发区现代城3栋-13-13号

在线客服系统