李工:138-8949-5179 刘工:135-0428-8802
型号查询
轴承型号   常见搜索: 6009轴承 6214轴承 617轴承 6010轴承 6022轴承 6309轴承
型号查询 X

轴承专区

Bearings Center

SAKAC 8 M轴承-SKF SAKAC 8 M轴承尺寸、图纸、价格

SKF SAKAC 8 M轴承

产品名称:SAKAC 8 M轴承 品牌:SKF
类型:SKF轴承 > 球面滑动轴承和杆端关节轴承 > 需维护的杆端关节轴承
描述:SAKAC 8 M轴承是【SKF轴承 > 球面滑动轴承和杆端关节轴承 > 需维护的杆端关节轴承】的型号,主要用在家用电器、空气压缩机、燃汽轮机、大型农业机械、木工机械、汽车转向销、塔吊、烟草机械、掘进机、雷达等各大领域

 电话/微信:138-8949-5179

SKF SAKAC 8 M轴承详细信息

SAKAC 8 M轴承是【SKF轴承 > 球面滑动轴承和杆端关节轴承 > 需维护的杆端关节轴承】的型号,主要用在家用电器、空气压缩机、燃汽轮机、大型农业机械、木工机械、汽车转向销、塔吊、烟草机械、掘进机、雷达等各大领域。

SKF SAKAC 8 M轴承详细参数

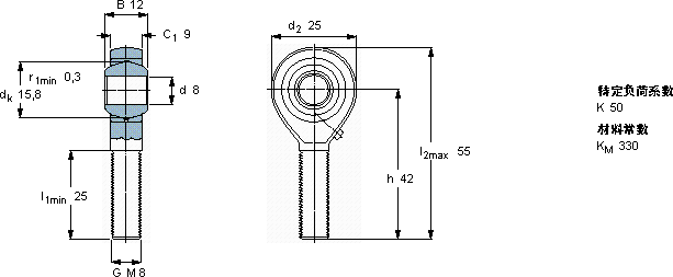
需要维护的杆端, 钢对青铜,阳螺纹
主要数据尺寸角度倾的基本负荷额定值质量型号
动态静态轴承座完全与
dd2Bd3C1h±CC0
6g
mm度数kNkg-
82512M 8942137,280,035SAKAC 8 M

SKF SAKAC 8 M轴承尺寸图纸

李工:138-8949-5179

刘工:135-0428-8802

地址:辽宁省大连经济技术开发区现代城3栋-13-13号

在线客服系统