轴承专区
Bearings Center
SAKAC 12 M轴承-SKF SAKAC 12 M轴承尺寸、图纸、价格
SKF SAKAC 12 M轴承
| 产品名称: | SAKAC 12 M轴承 | 品牌: | SKF |
|---|---|---|---|
| 类型: | SKF轴承 > 球面滑动轴承和杆端关节轴承 > 需维护的杆端关节轴承 | ||
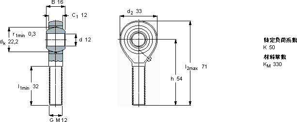
| 描述: | SAKAC 12 M轴承是【SKF轴承 > 球面滑动轴承和杆端关节轴承 > 需维护的杆端关节轴承】的型号,主要用在铁路车辆、机床主轴、泵、汽车、铁路车辆车轴、耕耘机、冶炼厂、破碎、地基处理机械、机械手等各大领域 | ||
电话/微信:138-8949-5179
SKF SAKAC 12 M轴承详细信息
SAKAC 12 M轴承是【SKF轴承 > 球面滑动轴承和杆端关节轴承 > 需维护的杆端关节轴承】的型号,主要用在铁路车辆、机床主轴、泵、汽车、铁路车辆车轴、耕耘机、冶炼厂、破碎、地基处理机械、机械手等各大领域。
SKF SAKAC 12 M轴承详细参数
| 需要维护的杆端, 钢对青铜,阳螺纹 | |||||||||||
| 主要数据尺寸 | 角度倾的 | 基本负荷额定值 | 质量 | 型号 | |||||||
| 动态 | 静态 | 轴承座完全与 | |||||||||
| d | d2 | B | d3 | C1 | h | ± | C | C0 | |||
| 6g | |||||||||||
| mm | 度数 | kN | kg | - | |||||||
| 12 | 33 | 16 | M 12 | 12 | 54 | 13 | 12,2 | 12,2 | 0,093 | SAKAC 12 M | |
SKF SAKAC 12 M轴承尺寸图纸

