李工:138-8949-5179 刘工:135-0428-8802
型号查询
轴承型号   常见搜索: 6022轴承 6015轴承 6008轴承 617轴承 6024轴承 688a轴承
型号查询 X

轴承专区

Bearings Center

SA 30 ES轴承-SKF SA 30 ES轴承尺寸、图纸、价格

SKF SA 30 ES轴承

产品名称:SA 30 ES轴承 品牌:SKF
类型:SKF轴承 > 球面滑动轴承和杆端关节轴承 > 需维护的杆端关节轴承
描述:SA 30 ES轴承是【SKF轴承 > 球面滑动轴承和杆端关节轴承 > 需维护的杆端关节轴承】的型号,主要用在通用电动机、罗茨鼓风机、提升机、建筑机械、轧钢机齿轮箱座、制铁制钢机械、轧钢机轧制螺杆用减速机、烟草机械、堆取料机、机场加油机等各大领域

 电话/微信:138-8949-5179

SKF SA 30 ES轴承详细信息

SA 30 ES轴承是【SKF轴承 > 球面滑动轴承和杆端关节轴承 > 需维护的杆端关节轴承】的型号,主要用在通用电动机、罗茨鼓风机、提升机、建筑机械、轧钢机齿轮箱座、制铁制钢机械、轧钢机轧制螺杆用减速机、烟草机械、堆取料机、机场加油机等各大领域。

SKF SA 30 ES轴承详细参数

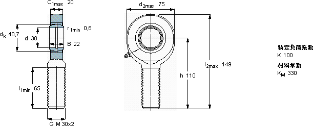
需要维护的杆端, 钢对钢,阳螺纹
主要数据尺寸角度倾的基本负荷额定值质量型号
动态静态杆端带右或左旋螺纹
dd2Bd3C1h±CC0
6g
mm度数kNkg-
307522M 30x22011066281,50,87SA 30 ES

SKF SA 30 ES轴承尺寸图纸

李工:138-8949-5179

刘工:135-0428-8802

地址:辽宁省大连经济技术开发区现代城3栋-13-13号

在线客服系统