李工:138-8949-5179 刘工:135-0428-8802
型号查询
轴承型号   常见搜索: 71913轴承 6214轴承 6019轴承 6015轴承 2025轴承 6013轴承
型号查询 X

轴承专区

Bearings Center

SA 25 ES轴承-SKF SA 25 ES轴承尺寸、图纸、价格

SKF SA 25 ES轴承

产品名称:SA 25 ES轴承 品牌:SKF
类型:SKF轴承 > 球面滑动轴承和杆端关节轴承 > 需维护的杆端关节轴承
描述:SA 25 ES轴承是【SKF轴承 > 球面滑动轴承和杆端关节轴承 > 需维护的杆端关节轴承】的型号,主要用在变速器、差速器小齿轮轴、泵、小齿轮轴、减速装置、机床主轴、立式电动机、洗染、挖掘机、吹氧装置等各大领域

 电话/微信:138-8949-5179

SKF SA 25 ES轴承详细信息

SA 25 ES轴承是【SKF轴承 > 球面滑动轴承和杆端关节轴承 > 需维护的杆端关节轴承】的型号,主要用在变速器、差速器小齿轮轴、泵、小齿轮轴、减速装置、机床主轴、立式电动机、洗染、挖掘机、吹氧装置等各大领域。

SKF SA 25 ES轴承详细参数

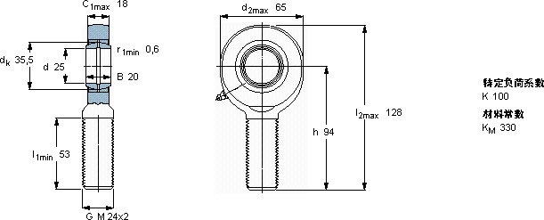
需要维护的杆端, 钢对钢,阳螺纹
主要数据尺寸角度倾的基本负荷额定值质量型号
动态静态杆端带右或左旋螺纹
dd2Bd3C1h±CC0
6g
mm度数kNkg-
256520M 24x21894748780,53SA 25 ES

SKF SA 25 ES轴承尺寸图纸

李工:138-8949-5179

刘工:135-0428-8802

地址:辽宁省大连经济技术开发区现代城3栋-13-13号

在线客服系统