李工:138-8949-5179 刘工:135-0428-8802
型号查询
轴承型号   常见搜索: 1轴承 6304轴承 6012轴承 688a轴承 6005轴承 6906轴承
型号查询 X

轴承专区

Bearings Center

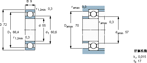
61811轴承-SKF 61811轴承尺寸、图纸、价格

SKF 61811轴承

产品名称:61811轴承 品牌:SKF
类型:SKF轴承 > 滚动轴承 > 深沟球轴承
描述:61811轴承是【SKF轴承 > 滚动轴承 > 深沟球轴承】的型号,主要用在通用电动机、各类变速器、发电机、铁路车辆、印刷机械、机床主轴、轧钢机轧制螺杆用减速机、电子、混凝土机械、太阳能发电设备等各大领域

 电话/微信:138-8949-5179

SKF 61811轴承详细信息

61811轴承是【SKF轴承 > 滚动轴承 > 深沟球轴承】的型号,主要用在通用电动机、各类变速器、发电机、铁路车辆、印刷机械、机床主轴、轧钢机轧制螺杆用减速机、电子、混凝土机械、太阳能发电设备等各大领域。

SKF 61811轴承详细参数

深沟球轴承, 单列, 无密封件
主要数据尺寸基本负荷额定值疲劳负荷限值额定速度体积型号
动态静态参照速度限制速度
dDBCC0Pu
mmkNkNr/minkg-
557299,048,80,37519000120000,08361811

SKF 61811轴承尺寸图纸

李工:138-8949-5179

刘工:135-0428-8802

地址:辽宁省大连经济技术开发区现代城3栋-13-13号

在线客服系统