李工:138-8949-5179 刘工:135-0428-8802
型号查询
轴承型号   常见搜索: 2026轴承 1轴承 3214轴承 6305轴承 32313轴承 6909轴承
型号查询 X

轴承专区

Bearings Center

RMS 9轴承-SKF RMS 9轴承尺寸、图纸、价格

SKF RMS 9轴承

产品名称:RMS 9轴承 品牌:SKF
类型:SKF轴承 > 滚动轴承 > 深沟球轴承
描述:RMS 9轴承是【SKF轴承 > 滚动轴承 > 深沟球轴承】的型号,主要用在仪表、印刷机械、汽车发动机、轧钢机辊颈、减速装置、制铁制钢机械、碾煤机、制鞋、堆取料机、钢包回转台等各大领域

 电话/微信:138-8949-5179

SKF RMS 9轴承详细信息

RMS 9轴承是【SKF轴承 > 滚动轴承 > 深沟球轴承】的型号,主要用在仪表、印刷机械、汽车发动机、轧钢机辊颈、减速装置、制铁制钢机械、碾煤机、制鞋、堆取料机、钢包回转台等各大领域。

SKF RMS 9轴承详细参数

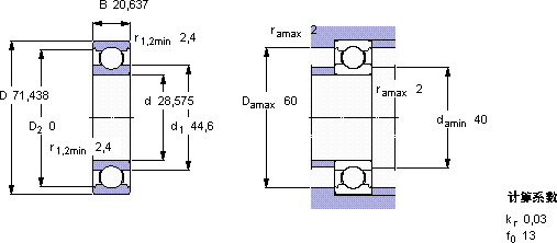
深沟球轴承, 单列, 无密封件,带英制尺寸
主要数据尺寸基本负荷额定值疲劳负荷限值额定速度体积型号
动态静态参照速度限制速度
dDBCC0Pu
mmkNkNr/minkg-
28,57571,43820,63728,1160,6719000130000,35RMS 9仅对售后市场

SKF RMS 9轴承尺寸图纸

李工:138-8949-5179

刘工:135-0428-8802

地址:辽宁省大连经济技术开发区现代城3栋-13-13号

在线客服系统