李工:138-8949-5179 刘工:135-0428-8802
型号查询
轴承型号   常见搜索: 6014轴承 6008轴承 6214轴承 6205轴承 6026轴承 6909轴承
型号查询 X

轴承专区

Bearings Center

RMS 18轴承-SKF RMS 18轴承尺寸、图纸、价格

SKF RMS 18轴承

产品名称:RMS 18轴承 品牌:SKF
类型:SKF轴承 > 滚动轴承 > 深沟球轴承
描述:RMS 18轴承是【SKF轴承 > 滚动轴承 > 深沟球轴承】的型号,主要用在变速器、印刷机械、发电机、轧钢机辊颈、轧钢机齿轮箱座、制铁制钢机械、立式电动机、破碎、堆取料机、吹氧装置等各大领域

 电话/微信:138-8949-5179

SKF RMS 18轴承详细信息

RMS 18轴承是【SKF轴承 > 滚动轴承 > 深沟球轴承】的型号,主要用在变速器、印刷机械、发电机、轧钢机辊颈、轧钢机齿轮箱座、制铁制钢机械、立式电动机、破碎、堆取料机、吹氧装置等各大领域。

SKF RMS 18轴承详细参数

深沟球轴承, 单列, 无密封件,带英制尺寸
主要数据尺寸基本负荷额定值疲劳负荷限值额定速度体积型号
动态静态参照速度限制速度
dDBCC0Pu
mmkNkNr/minkg-
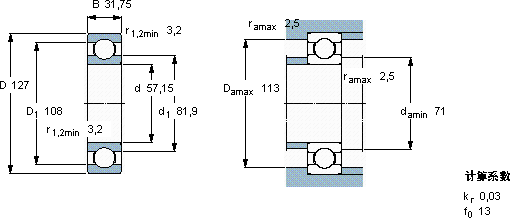
57,1512731,7581,9522,21000070001,70RMS 18仅对售后市场

SKF RMS 18轴承尺寸图纸

李工:138-8949-5179

刘工:135-0428-8802

地址:辽宁省大连经济技术开发区现代城3栋-13-13号

在线客服系统