李工:138-8949-5179 刘工:135-0428-8802
型号查询
轴承型号   常见搜索: 6032轴承 6010轴承 22222轴承 617轴承 6026轴承 6309轴承
型号查询 X

轴承专区

Bearings Center

350901 C轴承-SKF 350901 C轴承尺寸、图纸、价格

SKF 350901 C轴承

产品名称:350901 C轴承 品牌:SKF
类型:SKF轴承 > 滚动轴承 > 圆锥滚子推力轴承
描述:350901 C轴承是【SKF轴承 > 滚动轴承 > 圆锥滚子推力轴承】的型号,主要用在仪表、印刷机械、木工机械、轧钢机辊颈、减速装置、石油钻机转环、碾煤机、纺织、轻工机械、钢包回转台等各大领域

 电话/微信:138-8949-5179

SKF 350901 C轴承详细信息

350901 C轴承是【SKF轴承 > 滚动轴承 > 圆锥滚子推力轴承】的型号,主要用在仪表、印刷机械、木工机械、轧钢机辊颈、减速装置、石油钻机转环、碾煤机、纺织、轻工机械、钢包回转台等各大领域。

SKF 350901 C轴承详细参数

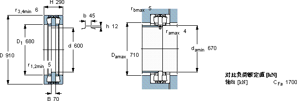
圆锥滚子推力轴承, 双向
主要数据尺寸基本负荷额定值疲劳负荷限值最小负荷系数型号
动态静态
dDHCC0Pu
mmkNkNkg-
6009102904730212001270655350901 C

SKF 350901 C轴承尺寸图纸

李工:138-8949-5179

刘工:135-0428-8802

地址:辽宁省大连经济技术开发区现代城3栋-13-13号

在线客服系统