李工:138-8949-5179 刘工:135-0428-8802
型号查询
轴承型号   常见搜索: 6016轴承 71913轴承 6015轴承 6026轴承 2025轴承 3214轴承
型号查询 X

轴承专区

Bearings Center

RLS 7-2Z轴承-SKF RLS 7-2Z轴承尺寸、图纸、价格

SKF RLS 7-2Z轴承

产品名称:RLS 7-2Z轴承 品牌:SKF
类型:SKF轴承 > 滚动轴承 > 深沟球轴承
描述:RLS 7-2Z轴承是【SKF轴承 > 滚动轴承 > 深沟球轴承】的型号,主要用在变速器、高频马达、压缩机、前轮、破碎机、机床等的变速装置、立式电动机、破碎、压路机、正面吊等各大领域

 电话/微信:138-8949-5179

SKF RLS 7-2Z轴承详细信息

RLS 7-2Z轴承是【SKF轴承 > 滚动轴承 > 深沟球轴承】的型号,主要用在变速器、高频马达、压缩机、前轮、破碎机、机床等的变速装置、立式电动机、破碎、压路机、正面吊等各大领域。

SKF RLS 7-2Z轴承详细参数

深沟球轴承, 单列, 两面防尘罩, 英制轴承
主要数据尺寸基本负荷额定值疲劳负荷限值额定速度体积型号
动态静态参照速度限制速度
dDBCC0Pu
mmkNkNr/minkg-
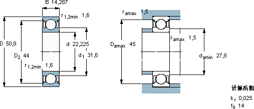
22,22550,814,287147,650,32526000130000,12RLS 7-2Z仅对售后市场

SKF RLS 7-2Z轴承尺寸图纸

李工:138-8949-5179

刘工:135-0428-8802

地址:辽宁省大连经济技术开发区现代城3栋-13-13号

在线客服系统