李工:138-8949-5179 刘工:135-0428-8802
型号查询
轴承型号   常见搜索: 6024轴承 6305轴承 6017轴承 6032轴承 6012轴承 6019轴承
型号查询 X

轴承专区

Bearings Center

RLS 6轴承-SKF RLS 6轴承尺寸、图纸、价格

SKF RLS 6轴承

产品名称:RLS 6轴承 品牌:SKF
类型:SKF轴承 > 滚动轴承 > 深沟球轴承
描述:RLS 6轴承是【SKF轴承 > 滚动轴承 > 深沟球轴承】的型号,主要用在飞机喷气式发动机、小型汽车前轮、汽车发动机、差速器、造纸机械、汽车转向销、燃机、玩具、掘进机、厨具设备等各大领域

 电话/微信:138-8949-5179

SKF RLS 6轴承详细信息

RLS 6轴承是【SKF轴承 > 滚动轴承 > 深沟球轴承】的型号,主要用在飞机喷气式发动机、小型汽车前轮、汽车发动机、差速器、造纸机械、汽车转向销、燃机、玩具、掘进机、厨具设备等各大领域。

SKF RLS 6轴承详细参数

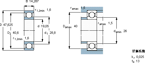
深沟球轴承, 单列, 无密封件,带英制尺寸
主要数据尺寸基本负荷额定值疲劳负荷限值额定速度体积型号
动态静态参照速度限制速度
dDBCC0Pu
mmkNkNr/minkg-
19,0547,62514,28712,76,550,2830000200000,11RLS 6仅对售后市场

SKF RLS 6轴承尺寸图纸

李工:138-8949-5179

刘工:135-0428-8802

地址:辽宁省大连经济技术开发区现代城3栋-13-13号

在线客服系统