李工:138-8949-5179 刘工:135-0428-8802
型号查询
轴承型号   常见搜索: 6019轴承 6005轴承 22222轴承 6030轴承 32313轴承 6006轴承
型号查询 X

轴承专区

Bearings Center

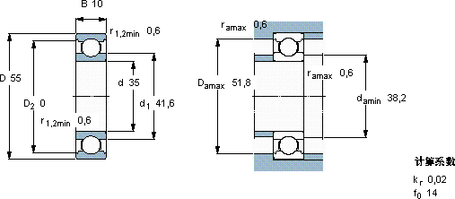
61907轴承-SKF 61907轴承尺寸、图纸、价格

SKF 61907轴承

产品名称:61907轴承 品牌:SKF
类型:SKF轴承 > 滚动轴承 > 深沟球轴承
描述:61907轴承是【SKF轴承 > 滚动轴承 > 深沟球轴承】的型号,主要用在建筑机械、罗茨鼓风机、桥式起重机、建筑机械、破碎机、石油钻机转环、成形机、薄膜拉伸、轻工机械、泥炮等各大领域

 电话/微信:138-8949-5179

SKF 61907轴承详细信息

61907轴承是【SKF轴承 > 滚动轴承 > 深沟球轴承】的型号,主要用在建筑机械、罗茨鼓风机、桥式起重机、建筑机械、破碎机、石油钻机转环、成形机、薄膜拉伸、轻工机械、泥炮等各大领域。

SKF 61907轴承详细参数

深沟球轴承, 单列, 无密封件
主要数据尺寸基本负荷额定值疲劳负荷限值额定速度体积型号
动态静态参照速度限制速度
dDBCC0Pu
mmkNkNr/minkg-
3555109,566,80,2926000160000,08061907

SKF 61907轴承尺寸图纸

李工:138-8949-5179

刘工:135-0428-8802

地址:辽宁省大连经济技术开发区现代城3栋-13-13号

在线客服系统