李工:138-8949-5179 刘工:135-0428-8802
型号查询
轴承型号   常见搜索: 6900轴承 6001轴承 617轴承 71913轴承 6030轴承 6309轴承
型号查询 X

轴承专区

Bearings Center

RLS 5-2Z轴承-SKF RLS 5-2Z轴承尺寸、图纸、价格

SKF RLS 5-2Z轴承

产品名称:RLS 5-2Z轴承 品牌:SKF
类型:SKF轴承 > 滚动轴承 > 深沟球轴承
描述:RLS 5-2Z轴承是【SKF轴承 > 滚动轴承 > 深沟球轴承】的型号,主要用在变速器、高频马达、汽车发动机、前轮、减速装置、机床主轴、立式电动机、陶瓷机械、挖掘机、正面吊等各大领域

 电话/微信:138-8949-5179

SKF RLS 5-2Z轴承详细信息

RLS 5-2Z轴承是【SKF轴承 > 滚动轴承 > 深沟球轴承】的型号,主要用在变速器、高频马达、汽车发动机、前轮、减速装置、机床主轴、立式电动机、陶瓷机械、挖掘机、正面吊等各大领域。

SKF RLS 5-2Z轴承详细参数

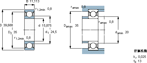
深沟球轴承, 单列, 两面防尘罩, 英制轴承
主要数据尺寸基本负荷额定值疲劳负荷限值额定速度体积型号
动态静态参照速度限制速度
dDBCC0Pu
mmkNkNr/minkg-
15,87539,68811,1139,564,750,234000190000,065RLS 5-2Z仅对售后市场

SKF RLS 5-2Z轴承尺寸图纸

李工:138-8949-5179

刘工:135-0428-8802

地址:辽宁省大连经济技术开发区现代城3栋-13-13号

在线客服系统