李工:138-8949-5179 刘工:135-0428-8802
型号查询
轴承型号   常见搜索: 6010轴承 6028轴承 6002轴承 6026轴承 6024轴承 23136轴承
型号查询 X

轴承专区

Bearings Center

R 8-2Z轴承-SKF R 8-2Z轴承尺寸、图纸、价格

SKF R 8-2Z轴承

产品名称:R 8-2Z轴承 品牌:SKF
类型:SKF轴承 > 滚动轴承 > 深沟球轴承
描述:R 8-2Z轴承是【SKF轴承 > 滚动轴承 > 深沟球轴承】的型号,主要用在通用电动机、各类变速器、减速装置、铁路车辆、减速装置、机床主轴、轧钢机轧制螺杆用减速机、制鞋、混凝土机械、太阳能发电设备等各大领域

 电话/微信:138-8949-5179

SKF R 8-2Z轴承详细信息

R 8-2Z轴承是【SKF轴承 > 滚动轴承 > 深沟球轴承】的型号,主要用在通用电动机、各类变速器、减速装置、铁路车辆、减速装置、机床主轴、轧钢机轧制螺杆用减速机、制鞋、混凝土机械、太阳能发电设备等各大领域。

SKF R 8-2Z轴承详细参数

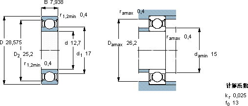
深沟球轴承, 单列, 两面防尘罩, 英制轴承
主要数据尺寸基本负荷额定值疲劳负荷限值额定速度体积型号
动态静态参照速度限制速度
dDBCC0Pu
mmkNkNr/minkg-
12,728,5757,9385,42,360,156000280000,024R 8-2Z仅对售后市场

SKF R 8-2Z轴承尺寸图纸

李工:138-8949-5179

刘工:135-0428-8802

地址:辽宁省大连经济技术开发区现代城3栋-13-13号

在线客服系统