李工:138-8949-5179 刘工:135-0428-8802
型号查询
轴承型号   常见搜索: 6018轴承 6021轴承 6006轴承 6205轴承 6304轴承 6010轴承
型号查询 X

轴承专区

Bearings Center

61828轴承-SKF 61828轴承尺寸、图纸、价格

SKF 61828轴承

产品名称:61828轴承 品牌:SKF
类型:SKF轴承 > 滚动轴承 > 深沟球轴承
描述:61828轴承是【SKF轴承 > 滚动轴承 > 深沟球轴承】的型号,主要用在飞机喷气式发动机、机床主轴、变速器、汽车、造纸机械、汽车转向销、燃机、薄膜拉伸、掘进机、坦克等各大领域

 电话/微信:138-8949-5179

SKF 61828轴承详细信息

61828轴承是【SKF轴承 > 滚动轴承 > 深沟球轴承】的型号,主要用在飞机喷气式发动机、机床主轴、变速器、汽车、造纸机械、汽车转向销、燃机、薄膜拉伸、掘进机、坦克等各大领域。

SKF 61828轴承详细参数

深沟球轴承, 单列, 无密封件
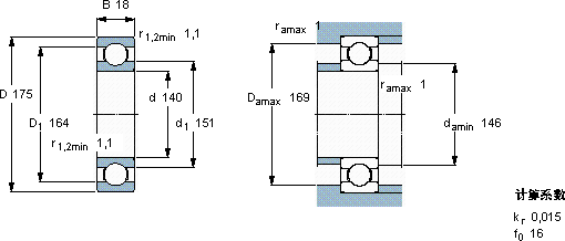
主要数据尺寸基本负荷额定值疲劳负荷限值额定速度体积型号
动态静态参照速度限制速度
dDBCC0Pu
mmkNkNr/minkg-
140175183946,51,66750045000,9961828

SKF 61828轴承尺寸图纸

李工:138-8949-5179

刘工:135-0428-8802

地址:辽宁省大连经济技术开发区现代城3栋-13-13号

在线客服系统