李工:138-8949-5179 刘工:135-0428-8802
型号查询
轴承型号   常见搜索: 3214轴承 6010轴承 6205轴承 6013轴承 6906轴承 688a轴承
型号查询 X

轴承专区

Bearings Center

QJ 309 N2PHAS *轴承-SKF QJ 309 N2PHAS *轴承尺寸、图纸、价格

SKF QJ 309 N2PHAS *轴承

产品名称:QJ 309 N2PHAS *轴承 品牌:SKF
类型:SKF轴承 > 滚动轴承 > 角接触球轴承
描述:QJ 309 N2PHAS *轴承是【SKF轴承 > 滚动轴承 > 角接触球轴承】的型号,主要用在燃汽轮机、印刷机械、汽车发动机、轧钢机辊颈、减速装置、石油钻机转环、电机厂、精细化工机械、轻工机械、数控设备等各大领域

 电话/微信:138-8949-5179

SKF QJ 309 N2PHAS *轴承详细信息

QJ 309 N2PHAS *轴承是【SKF轴承 > 滚动轴承 > 角接触球轴承】的型号,主要用在燃汽轮机、印刷机械、汽车发动机、轧钢机辊颈、减速装置、石油钻机转环、电机厂、精细化工机械、轻工机械、数控设备等各大领域。

SKF QJ 309 N2PHAS *轴承详细参数

角接触球轴承, 四点接触球轴承
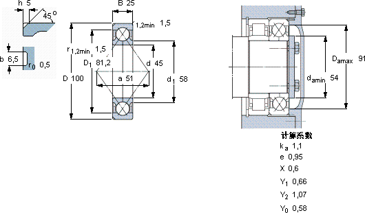
主要数据尺寸基本负荷额定值疲劳负荷限值额定速度体积型号
动态静态参照速度限制速度
dDBCC0Pu * - SKF Explorer 轴承
mmkNkNr/minkg-
4510025100833,5510000120000,90QJ 309 N2PHAS *

SKF QJ 309 N2PHAS *轴承尺寸图纸

李工:138-8949-5179

刘工:135-0428-8802

地址:辽宁省大连经济技术开发区现代城3栋-13-13号

在线客服系统