李工:138-8949-5179 刘工:135-0428-8802
型号查询
轴承型号   常见搜索: 6024轴承 6309轴承 2025轴承 71913轴承 6909轴承 6900轴承
型号查询 X

轴承专区

Bearings Center

QJ 307 N2PHAS *轴承-SKF QJ 307 N2PHAS *轴承尺寸、图纸、价格

SKF QJ 307 N2PHAS *轴承

产品名称:QJ 307 N2PHAS *轴承 品牌:SKF
类型:SKF轴承 > 滚动轴承 > 角接触球轴承
描述:QJ 307 N2PHAS *轴承是【SKF轴承 > 滚动轴承 > 角接触球轴承】的型号,主要用在仪表、离心分离机、桥式起重机、变速器、轧钢机齿轮箱座、石油钻机转环、碾煤机、洗染、凿岩机械、坦克等各大领域

 电话/微信:138-8949-5179

SKF QJ 307 N2PHAS *轴承详细信息

QJ 307 N2PHAS *轴承是【SKF轴承 > 滚动轴承 > 角接触球轴承】的型号,主要用在仪表、离心分离机、桥式起重机、变速器、轧钢机齿轮箱座、石油钻机转环、碾煤机、洗染、凿岩机械、坦克等各大领域。

SKF QJ 307 N2PHAS *轴承详细参数

角接触球轴承, 四点接触球轴承
主要数据尺寸基本负荷额定值疲劳负荷限值额定速度体积型号
动态静态参照速度限制速度
dDBCC0Pu * - SKF Explorer 轴承
mmkNkNr/minkg-
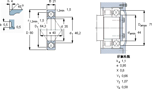
35802164512,1613000150000,48QJ 307 N2PHAS *

SKF QJ 307 N2PHAS *轴承尺寸图纸

李工:138-8949-5179

刘工:135-0428-8802

地址:辽宁省大连经济技术开发区现代城3栋-13-13号

在线客服系统